浅析通信接口遭遇雷击的风险
在高度信息化的今天,电子设备遍布我们生活的每一个角落,很难想象如果脱离了它们,我们的生活会是怎样的。
但是,随着电子设备的高度集成化,其耐受过电压的能力也显著降低,如果遭受过电压入侵,将使电子设备的使用寿命大大降低,甚至会立即损坏。产生过电压的原因有很多,以雷电过电压造成的危害最大。本文将讨论雷电对设备通信接口造成过电压的原因、常见通信端口遭受雷击风险分析,希望各位同仁批评指正。
1、雷电对通信接口造成过电压的原因
通信设备如果遭受直接雷击,想要预防那是非常困难的事。因此,我们今天的内容都是在设备受到外部防雷保护的前提下进行讨论,即主要讨论感应雷引起的过电压。
雷电对通信接口造成过电压的原因主要有两方面:一是通信线感应雷电过电压;二是外部防雷装置遭受直击雷引起地电位反击。下面,我们对这两方面进行分析。
1.1、通信线感应雷电过电压

(图1 通信线感应雷电过电压示意图)
图1显示了通信线感应雷电过电压的两种方式:①通信线间形成环路,引起线间形成差模过电压;②通信线和地之间形成环路,引起每根线和接地之间形成共模过电压。
线间差模过电压:对于设备具体的某个接口而言,其通信线往往是成对的而且以双绞线形式出现,因此在雷雨天气,其线间感应的差模过电压较小。当然,也有例外情况,对于视频线同轴线缆来说,大部分的感应雷电过电压在外屏蔽层,因此外屏蔽层和芯线之间形成很大的过电压。
线-地之间共模过电压:同样对于设备的某个接口而言,通信线和地之间形成很大的环路,其感应的过电压往往非常高,也是感应雷造成设备端口损坏的主要原因。
1.2、外部防雷装置遭受直击雷产生地电位反击
地电位反击这个名词对于我们绝大多数同仁来说,已经非常熟悉了,这里不再赘述。地电位抬高后,通信端口各芯线和地之间形成巨大的过电压,造成端口被击坏。
2、常见通信端口遭受雷击风险分析
2.1、网络端口
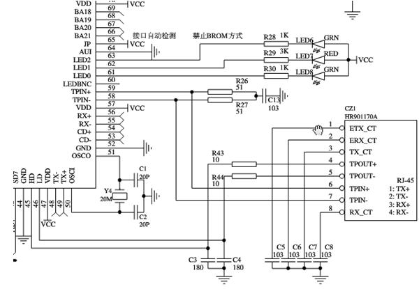
我们以常见的Realtek瑞昱RTL8019(图2所示)为例:

(图2 RTL8019局部电路图)
一共八个脚,其中4个为通信脚,分别为TPOUT+,TPOUT-,TPIN+和TPIN-,前2个脚和芯片之间通过10Ω隔离电阻相连,并跟信号地之间有电容相连,后2个脚直接与芯片相连并与信号地之间有电阻和电容相连。
分析:网线由4对(或2对)双绞线组成,线间差模过电压很小,可忽略不计,雷击风险主要为线-地之间的共模过电压以及雷电流。当发生感应雷时,由于每个脚都与地之间有电容相连,电容通交流阻直流,而雷电流为高频电流,因此线和地之间为通路,雷电流通过网线连接的2个端口入地,8个与信号地相连的电容易被过压击穿,4个通信脚连接的电阻在通过雷电流时容易被烧坏,造成通信故障。当发生地电位反击时,8个与信号地相连的电容易被过压击穿,由于电容不可能同时被击穿,因此芯片各脚之间存在电位差,芯片也容易被打坏。
图3显示受损的集成电路板。用化学腐蚀掉该芯片表面的塑料使模块裸露,然后用光学显微镜检查并照像,从图3中可以看到典型的局部损坏。

(图3 雷击导致传输芯片损坏)
2.2、视频端口
视频端口的典型电路如图4所示:

(图4 视频端口电路)
分析:由于视频线通信线为内部芯线和外部屏蔽层,外部屏蔽层接信号地,因此不论是感应雷还是地电位反击,都容易造成中间芯线和地之间存在过电压,该过电压容易将三极管击穿、烧坏芯线和地之间的电阻,如果过电压很大,甚至会打坏供电电源内部元器件。
2.3、工控4-20mA端口

(图5 工控4-20mA端口电路)
分析:工控4-20mA信号线一般都有外屏蔽层,在最新标准SH/T3164-2012《石油化工仪表系统防雷设计规范》里要求双屏蔽层,因此,感应雷造成的危害不大,需防地电位反击,当地电位抬高时,接地和芯线之间存在过电压,设备内部三极管、处理芯片以及运算放大器易被打坏。
2.4、485接口
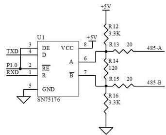
485接口电路如图6所示:

(图6 485接口电路)
图6中485信号线分别通过20Ω的隔离电阻连接SN75176的6、7脚,芯线之间连接有120Ω的电阻,并分别通过3.3kΩ的上拉和下拉电阻与+5V电源以及接地相连。
分析:芯线之间的差模过电压风险较小,主要风险为芯线与地之间的共模过电压,无保护时,电阻和芯片乃至5V电源容易烧坏。
2.5 小结
通过上面对各种信号接口的分析,我们不难发现,发生雷击过电压时,信号线之间的差模过电压较小,而信号线与接地之间的共模过电压是造成设备损坏的主要风险。视频线的外屏蔽层接地,实际可看成是中间的1根芯线与地之间的过电压。信号线防雷器往往由多种防雷元器件组成,并在芯线与芯线之间以及芯线和地线之间并联组合,在选择防雷器时,应当重点考虑芯线和地之间的泄流能力,其次是芯线之间的泄流能力。
上一篇:
下一篇: